Цилиндрические редукторы 1Ц2У-100, 1Ц2У-125, 1Ц2У-160, 1Ц2У-200, 1Ц2У-250: характеристики, устройство, принцип работы, стоимость

Цилиндрические редукторы 1Ц2У-100, 1Ц2У-125, 1Ц2У-160, 1Ц2У-200, 1Ц2У-250
Общепромышленные цилиндрические редукторы 1Ц2У-100, 1Ц2У-125, 1Ц2У-160, 1Ц2У-200, 1Ц2У-250 предназначены повышать крутящий момент то и снижать частоту вращения. В качестве понижающего механизма применяется двухступенчатая цилиндрическая пара состоящая из трёх зубчатых колес.

 

Цилиндрические редукторы серии Ц2У представлены пятью типоразмерами с возможностью комплектации асинхронными электродвигателями мощностью 0,75 - 45 кВт. Агрегат любого из пяти типоразмеров имеет широкий ряд передаточных чисел в пределах 8; 10; 12,5; 16; 20; 25; 31,5; 40. Максимальный крутящий момент достигает 10000 Нм. Типоразмеры 1Ц2У-100, 1Ц2У-125, 1Ц2У-160 могут иметь алюминиевый либо чугунный корпус, 1Ц2У-200, 1Ц2У-250 - только чугунный.

Базовые характеристики

  • Номинальная мощность электродвигателя: от 0,75 до 45 кВт;
  • Допускается эксплуатация с постоянными и переменными нагрузками
  • Крутящий момент на выходном валу: от 315 до 10000 Нм;
  • Диапазон передаточных чисел: 8; 10; 12,5; 16; 20; 25; 31,5; 40
  • Частота вращения выходного вала: от 18 до 187 об/мин;
  • Тип смазки синтетическое или полусинтетическое масло на срок до 15000 часов работы;
  • Частота вращения входного вала не более 1800 об/мин;
  • Доступные варианты сборки: 11, 12, 13, 21, 22, 23, 31, 32, 33
  • Входные и выходные валы могут быть цилиндрические, конические и полые;
  • Режим эксплуатации длительный, до 24 часа в сутки;
  • Климатическое исполнение: О, У, УХЛ, Т
  • Степень защиты корпуса редуктора IP65.

Серия имеет следующие типоразмеры:
1Ц2У-100 (Ц2У-100), 1Ц2У-125 (Ц2У-125), 1Ц2У-160 (Ц2У-160), 1Ц2У-200 (Ц2У-200), 1Ц2У-250 (Ц2У-250)

Цилиндрические редукторы 1Ц2У Цилиндрические редукторы 1Ц2У

 

Система обозначения цилиндрических редукторов серии 1Ц2У (Ц2У)

1Ц2У – 160 – 25 – 13 - К - Ц - У1

1Ц2У - Редуктор цилиндрический двухступенчатый универсального типа
160 - Типоразмер (расстояние между осями валов в мм) возможные варианты 100, 125, 160, 200, 250
25 - Передаточное отношение, возможные варианты 8; 10; 12,5; 16; 20; 25; 31,5; 40
13 - Вид сборки, возможные варианты 11, 12, 13, 21, 22, 23, 31, 32, 33
К - Исполнение входного вала (в данном случае конический)
Ц - Исполнение входного вала (в данном случае конический)
У - Климатическое исполнение, возможные варианты О, У, УХЛ, Т
1 - Категория размещения

Типоразмер
M max, Нм

D - выходного вала,

мм

1Ц2У-100
315
30
1Ц2У-125
630
40
1Ц2У-160
1250
50
1Ц2У-200
2500
65
1Ц2У-250
5000
85

Модификации редукторов

Варианты сборки - 11 Варианты сборки - 12 Варианты сборки - 13
Варианты сборки - 21 Варианты сборки - 22 Варианты сборки - 23
Варианты сборки - 31 Варианты сборки - 32 Варианты сборки - 33

 

Технические данные

  • зубчатые колеса - легированная сталь
  • валы - конструкционная сталь
  • смазка - синтетическое масло

Смазочные материалы

Типоразмер Объём заливаемого масла Марка масла Периодичность проверки и заливки масла
1Ц2У-100 0,7

Летнее: ИРП 150, ИТП 200

Зимнее: ТСп-10

Каждые 90 суток
1Ц2У-125 0,9
1Ц2У-160 4,5
1Ц2У-200 9
1Ц2У-250 15

 

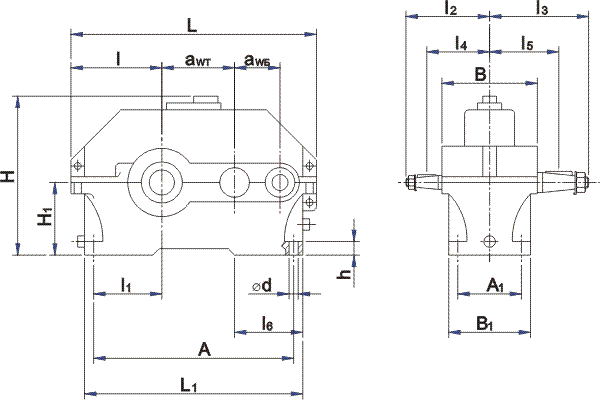
Габаритные и присоединительные размеры

Габаритные и присоединительные размеры 1Ц2У-100 - 1Ц2У-250

 

Типоразмер редуктора
Межосевые расстояния
L
L1
l
l1
l2
l3
l4
l5
l6
H не более
aw - вых
aw - вх
не более
1Ц2У-100
100
80
387
325
136
85
136
165
103
115
-
230
1Ц2У-125
125
80
450
375
160
106
145
206
112
136
-
272
1Ц2У-160
160
100
560
475
200
136
170
224
132
155
145
345
1Ц2У-200
200
125
690
580
243
165
212
280
160
190
186
425
1Ц2У-250
250
160
825
730
290
212
265
335
195
230
224
530

 

Типоразмер редуктора
H1
h
c чугун. корп.
с алюм. корп.
А
A1
В
B1
d
1Ц2У-100
112
20±3
290
109
155
145
15
1Ц2У-125
132
22±3
335
125
175
165
19
1Ц2У-160
170
24±4
28±4
425
140
206
195
24
1Ц2У-200
212
30±4
515
165
243
230
24
1Ц2У-250
265
32±5
670
218
290
280
28

 

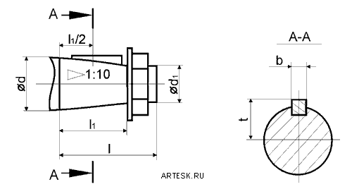
Размеры входного и выходного валов

Цилиндрический вал

Цилиндрический вал

 

Модель
Тип вала
d
I
b
t
1Ц2У-100
Входной
18
36
6
20,5
1Ц2У-125
18
36
6
20,5
1Ц2У-160
22
42
6
24,5
1Ц2У-200
25
58
8
28
1Ц2У-250
35
82
10
38
1Ц2У-100
Выходной
30
58
8
33
1Ц2У-125
40
82
12
43
1Ц2У-160
50
105
14
53,5
1Ц2У-200
65
105
18
69
1Ц2У-250
85
170
22
90

 

Конический вал

Конический вал

 

Модель
Тип вала
d
d1
I
I1
b
t
1Ц2У-100
Входной
20
М12х1,25
50
36
4
10,6
1Ц2У-125
20
М12х1,25
50
36
4
10,6
1Ц2У-160
25
М16х1,5
60
42
5
13,45
1Ц2У-200
30
М20х1,5
80
58
5
15,55
1Ц2У-250
40
М24х2,0
110
82
10
20,9
1Ц2У-100
Выходной
35
М20х1,5
80
58
6
18,55
1Ц2У-125
45
М30х2,0
110
82
12
23,45
1Ц2У-160
55
М36х3,0
110
82
14
28,95
1Ц2У-200
70
М48х3,0
140
105
18
36,38
1Ц2У-250
90
М64х4,0
170
130
22
46,75

 

Редуктор 1Ц2У-100

Редуктор 1Ц2У-125

Редуктор 1Ц2У-160

Редуктор 1Ц2У-200

Редуктор 1Ц2У-250

 

Технические характеристики

Основные показатели
Типоразмер
1Ц2У-100
1Ц2У-125
1Ц2У-160
1Ц2У-200
1Ц2У-250
Номинальные передаточные числа
Группа 1
10; 20; 31,5; 40
Группа 2
8;12,5; 16; 25
Реальные передаточные числа
Группа 1
10,32;20,64; 32,55; 40,32
10; 20; 31,5;38,37
10,32; 20,64; 32,55; 40,32
9,76; 20,02; 31,47; 38,98
9,94; 20,67; 31,47; 38,4
Группа 2
8; 12,8; 16; 25,6
7,75; 12,18; 15,48; 24,36
8; 12,6; 16,0; 25,2
8,09; 12,08; 16,6; 24,83
8,33; 12,12; 16; 24,54
Крутящий момент на выходном валу при длительной эксплуатация с постоянной нагрузкой Нм
постоянный (Н) ПВ=100%
315
630
1250
2500
5000
Крутящий момент на выходном валу при работе редуктора на кратковременных режимах. Нм
тяжелый (Т) ПВ=40%
315
630
1600
3150
6300
средний (С) ПВ=25%
2000
4000
8000
легкий (Л) ПВ=15%
2500
5000
10000
Радиальная консольная нагрузка, приложенная на середину вала, Н
входного вала
постоянный (Н) ПВ=100%
500
750
1000
2240
3150
тяжелый (Т) ПВ=40%
1150
2500
3550
средний (С) ПВ=25%
1280
2800
4000
легкий (Л) ПВ=15%
1450
3150
4500
выходного вала
постоянный (Н) ПВ=100%
4500
6300
9000
12500
18000
тяжелый (Т) ПВ=40%
10000
14000
20000
средний (С) ПВ=25%
11200
16000
22400
легкий (Л) ПВ=15%
12500
18000
25000
Термическая мощность, кВт
Лимита нет
Коэффициент полезного действия, не менее, %
97
Масса редуктора, не более, кг
с чугунным корпусом
 
95
170
310
с алюминиевым корп.
21
31,5
57
 
 



 
© 2014 Редукторы, мотор-редукторы, устройства плавного пуска, преобразователи частоты