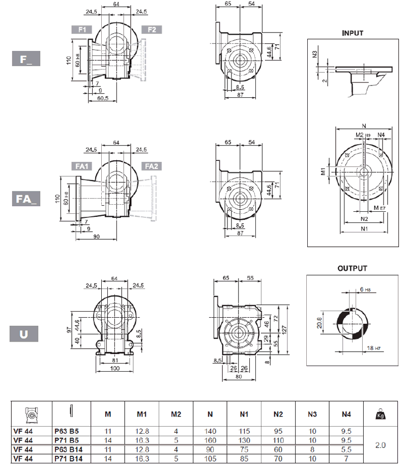
Габаритно-присоединительные размеры VF44

 

Назад

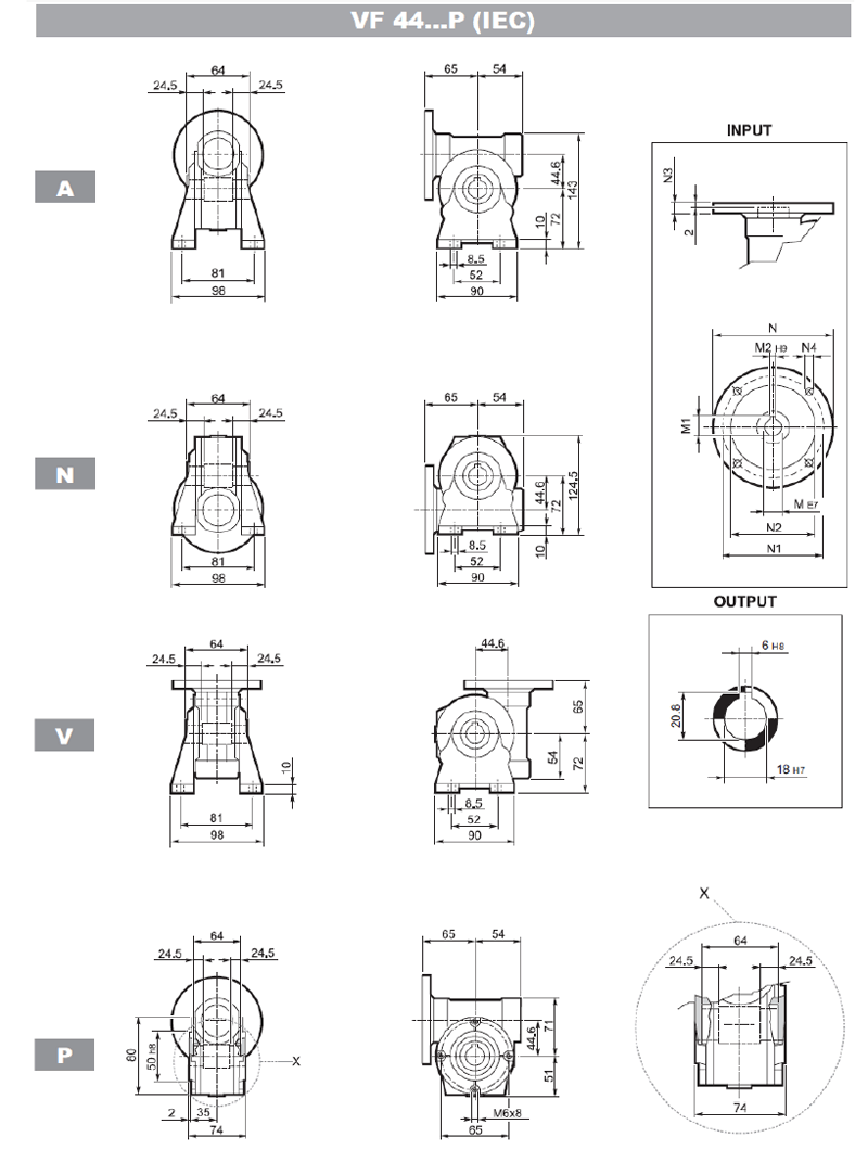
Габаритно-присоединительные размеры VF44

Габаритно-присоединительные размеры VF44

Назад

 
© 2014 Редукторы, мотор-редукторы, устройства плавного пуска, преобразователи частоты